DC-DC преобразователь для питания радиоламп

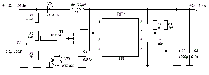
Индуктивность L1 подбирается по необходимому току нагрузки, зависимость обратная - чем больший ток нужен на выходе, тем меньше индуктивность.
Измерять напряжение на выходе без нагрузки не имеет смысла. Точная подстройка напряжения выполняется резистором R2. Частоту следования импульсов (а следовательно и выходное напряжение) также можно менять в широких пределах подбирая резисторы R4 и R5, однако при выходе за пределы напряжений указанные на схеме может потребоваться замена L1, а также добавление фильтров.
Нагрузочная способность по току определяется, в основном, транзистором T1 (для указанного на схеме, средний ток рекомендуется порядка 6-7А), однако все остальные элементы также должны быть иметь запас по перегрузке и в первую очередь это касается L1, затем резисторов и номинальных напряжений конденсаторов.
На схеме не указана рекомендуемая обвязка полевого транзистора, в частности, в цепь затвора желательно добавить последовательно включенный токоограничивающий резистор на десяток Ом, а также добавить обратно включенный супрессор параллельно истоку-стоку.
Также не следует забывать, что в данной схеме фактически отсутствует защита по превышению выходного тока, поэтому для ответственных применений лучше выбрать специализированные микросхемы, например MC33063.