Корпуса отечественных микросхем
Корпуса большинства советских ИМС соответствовали требованиям ГОСТ 17467-72 (позже ГОСТ 17467-88), который предусматривал четыре типа корпусов:
В советских (российских) корпусах ИМС расстояние между выводами (шаг) измеряется в миллиметрах:
Для обозначения типоразмера корпуса и его конструкции предусматривалось специальное условное обозначение, состоящее из четырёх элементов:
Например, 201.12-1 - прямоугольный корпус с перпендикулярными выводами (2), типоразмера 01, имеющий 12 выводов, модификация 1.
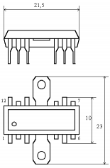
- Тип 1 - прямоугольный с выводами в пределах основания, перпендикулярно ему
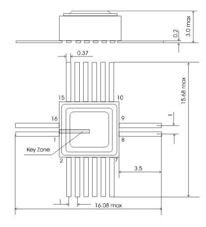
- Тип 2 - прямоугольный с выводами, расположенными за пределами основания, перпендикулярно ему
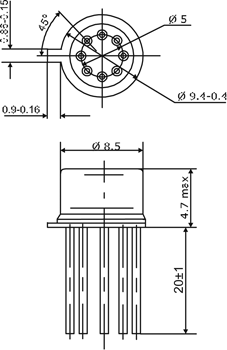
- Тип 3 - круглый с выводами в пределами основания, перпендикулярно ему
- Тип 4 - прямоугольный с выводами за пределами основания, перпендикулярно ему
В советских (российских) корпусах ИМС расстояние между выводами (шаг) измеряется в миллиметрах:
- Для корпусов Типа 1 и Типа 2: 2-2,5 мм
- Для корпусов Типа 3 и Типа 4: 1,25 мм
Для обозначения типоразмера корпуса и его конструкции предусматривалось специальное условное обозначение, состоящее из четырёх элементов:
- цифра, обозначающая тип корпуса
- две цифры, от 01 до 99, обозначающие типоразмер
- цифра, обозначающая общее количество выводов
- цифра, обозначающая номер модификации
Например, 201.12-1 - прямоугольный корпус с перпендикулярными выводами (2), типоразмера 01, имеющий 12 выводов, модификация 1.
| Элемент | Чертёж |
| 201.9-1 полимерный |
|
| 201.12-1 полимерный |
|
| 201.14-1 полимерный |
|
| 201.14-10 металлокерамический |
|
| 201.16-13 металлокерамический |
|
| 201.14-8 полимерный |
|
| 201.16-5 Полимерный |
|
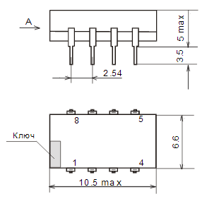
| 238.12-1 |
|
| 238.12-2 |
|
| 238.16-1 полимерный |
|
| 238.16-5 полимерный |
|
| 238.18-1 металлокерамический |
|
| 238.18-3 полимерный |
|
| 238.24-1 полимерный |
|
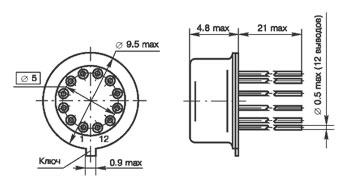
| 301.8-2 металлостеклянный |
|
| 301.12-1 металлостеклянный, вероятно модификации -1 и -2 имеют идентичные габариты |
|
| 401.14-4 металлостеклянный |
|
| 1101Ю.7-2 |
|
| 1102.8-1 |
|
| 1401Ю.5-1 |
|
| 1503Ю.11-1 |
|
| 1505Ю.17-1 (А) |
|
| 2101.8-1 полимерный |
|
| 2103.16-9 полимерный |
|
| 2104.12-1 полимерный |
|
| 2104.18-1 полимерный |
|
| 2104.18-4 полимерный |
|
| 2104.18-6 полимерный |
|
| 2120.24-5 полимерный |
|
| 2120.24-6 полимерный |
|
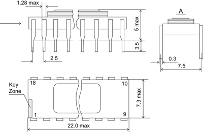
| 2121.28-12 |
|
| 2121.29-1 |
|
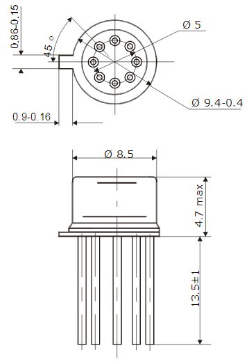
| 3101.8-1 металлостеклянный, практически идентичен 301.8-2 |
|
| 4118.24-2, 4118.24-3 металлокерамический |
|
| М04.10-1 |
|
| Ф08.16-1 |
|
| Н04.16 |
|
Запрос выполнен за 0.0184 мкс