Корпуса импортных микросхем
Зарубежные производители ИМС измеряют шаг в долях дюйма, милах (1/1000 дюйма) или используют величину 1/10 или 1/20 дюйма, что в переводе в метрическую систему соответствует 2.54 и 1.27 мм.
В современных импортных корпусах ИМС, предназначенных для поверхностного монтажа, применяют и метрические размеры: 0.8 мм, 0.65 мм и другие.
Не существует единого стандарта для импортных корпусов микросхем и хотя некоторые организации занимающиеся стандартизацией, вроде JEDEC и JEITA, стандартизируют некоторые корпуса, производители зачастую присваивают стандартным корпусам свои наименования. В частности в компании Philips и её дочерней NXP используется своя система кодировки корпусов, начинающася с букв «SOT», не следует путать это с SMD-корпусами Small Outline Transistor. Корпуса могут отличаться одним из линейных размеров, но иметь похожую маркировку, либо наоборот иметь близкие размеры, но называться по разному. Кроме того, из-за отсутствия строго стандарта бывает и так, что корпуса с одинаковым наименованием могут иметь разные размеры у разных производителей, поэтому строго необходимо всегда уточнять точные размеры в datasheet конкретного элемента.
Ниже приведён список из некоторых часто встречающихся корпусов и их чертежей:
| DIP (Dual In-line Package, иногда также DIL) — один из самых распространённых типов корпусов для монтажа в отверстия. Бывает как в пластиковом, так и в керамическом исполнении (CDIP), хотя в пластике встречается чаще. Имеет множество вариаций и наименований. | ![]() |
| ZIP (Zigzag In-line Package) | ![]() |
| DBS (корпуса типа DIL Bent SIL), компании Philips и NXP маркируют данные корпуса как SOT523-1, SOT157-2, и т.д., не путать с транзисторным SMD-корпусом с аналогичным названием (SOT523). Семейство разных корпусов с однорядным расположением загнутых выводов. На иллюстрации чертёж корпуса SOT523-1, данный корпус используется, например в усилителе TFA9843AJ. | ![]() |
| SIP (Single In-line Package) | ![]() |
| BGA (Ball Grid Array) — один из самых миниатюрных безвыводных корпусов с сеткой контактных площадок с обратной стороны микросхемы. Выводами служат шарики припоя, сплавляемые с выводами корпуса и площадками на печатной плате. Чаще всего микросхемы поставляются с уже припаянными шариками с завода, для пайки на печатную плату микросхему располагают на плате согласно меткам на плате и чипе, затем нагревают с помощью паяльной станции или инфракрасного источника так, что шарики начинают плавиться. Поверхностное натяжение заставляет расплавленный припой зафиксировать микросхему ровно над тем местом, где она должна находиться на плате и не позволяет шарикам деформироваться. Считается, что BGA произошёл от штыревого корпуса PGA, хотя в корпусе BGA сейчас производится большая номенклатура микросхем, в корпусе PGA судя по всему выпускались лишь некоторые CPU (например Intel Pentium 3). BGA имеет множество вариаций, каких-либо единых стандартов для этого типа корпусов, судя по всему, не существует | ![]() |
| TO-3 (Transistor Outline) — стандарт корпуса для полупроводниковых приборов. Используется для мощных транзисторов, выпрямителей и некоторых интегральных микросхем. Изначально дизайн разработан Motorola в 1955 году для подключения полупроводниковых приборов в распространённые в то время разъёмы для радиоламп. Считается, что в корпусе TO-3 выпускался первый запущенный в массовое производство силовой транзистор 2N176. Наиболее близкий советский аналог данного корпуса это КТ-9, также близок по размерам КТ-11. Существует также похожий по форме корпус, но уменьшенных размеров это TO-66. | ![]() |
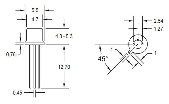
| TO-18 (Transistor Outline) — цилиндрический корпус из металла, используемый для транзисторов, диодов и микросхем. Корпуса TO-71 и TO-72 имеют идентичные размеры, но другое количество выводов (8 и 4 соответственно). Корпуса TO-52 и TO-46 имеют близкие размеры, отличаются только высотой крышки. Наш аналог: KT-1-7. Также существуют фотодиоды со стеклянной линзой вместо верхней крышки с аналогичными размерами, их корпус обычно тоже называют TO-18. | ![]() |
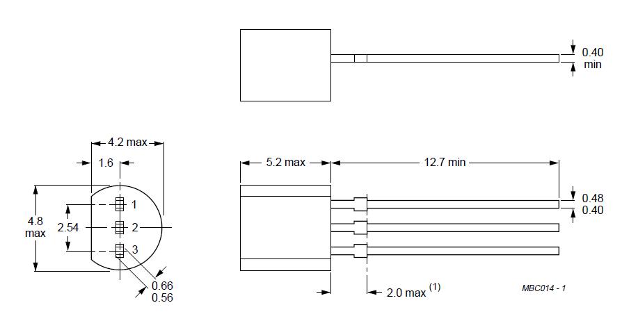
| TO-92 (Transistor Outline) — трёхвыводной пластиковый корпус, наш аналог КТ-26. Хотя данный корпус был стандартизирован JEDEC, размеры сильно меняются от производителя к производителю. | ![]() |
| TO-126 (Transistor Outline) — наш аналог КТ-27. Может иметь разное количество выводов, тогда обозначается например так: TO-126F4 (на иллюстрации). Корпуса TO-126 с тремя выводами часто используются для транзисторов. | ![]() |
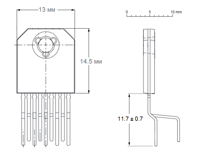
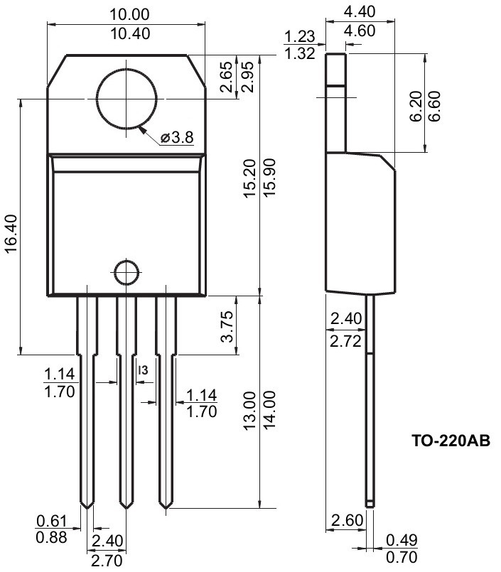
| TO-220 (Transistor Outline) — распространённый тип корпуса, используемый не только для микросхем, но и для транзисторов и диодных сборок. Некоторые корпуса этого семейства имеют собственные названия, в частности вариант TO-220B-5L с теплоотводом и гнутыми выводами называется Pentawatt. Для трёхвыводного варианта наш аналог КТ-28-2. Размеры корпуса варьируют от производителя к производителю, уточняйте размеры в документации. | ![]() |
| SOIC (Small-Outline Integrated Circut), а также SOP (Small-outline Package), могут обозначаться просто SO. Ранее иногда использовалось наименование Dual Flat Package (DFP). Синонимы: MFP (Mini Flat Package), DSO (Dual Small Out-lint). Существует множество вариантов данного типа корпусов, например корпуса Small-outline J-leaded package (SOJ) с загнутыми под корпус J-образными выводами. Корпуса могут иметь различную ширину, три самых распространённых варианта для этого корпуса это ширина 0.15, 0.208 и 0.3 дюйма (3.8 мм, 5.28 мм и 7.62 мм соответственно). Обычно количество выводов указывается через тире, например SO-8, SOIC-14 и т.д. При более точном указании наименования корпуса может быть указана также ширина в тысячных дюйма, например SO14-150 |
![]() |
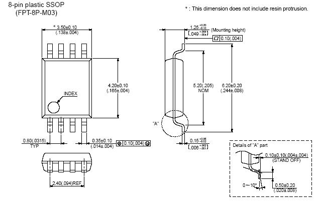
| SSOP (Shrink Small-Outline Package) уменьшенные варианты SOIC и SOP, чаще всего шаг выводов 0.65 мм (0.0256 дюйма) или 0.635 мм (0.025 дюйма), хотя встречаются и чуть болле крупные варианты с 0.8 мм. Расстояние между выводами 0.5 мм встречается реже. | ![]() |
| TSOP (Thin Small-Outline Package) корпус похожий на SSOP, но с ещё меньшей высотой (~1мм). Ещё более миниатюрные варианты этого же корпуса называются TSSOP, хотя некоторые варианты корпуса (например HTSSOP, корпус с площадкой для теплоотвода) могут иметь размеры сопоставимые с обычным SSOP | ![]() |
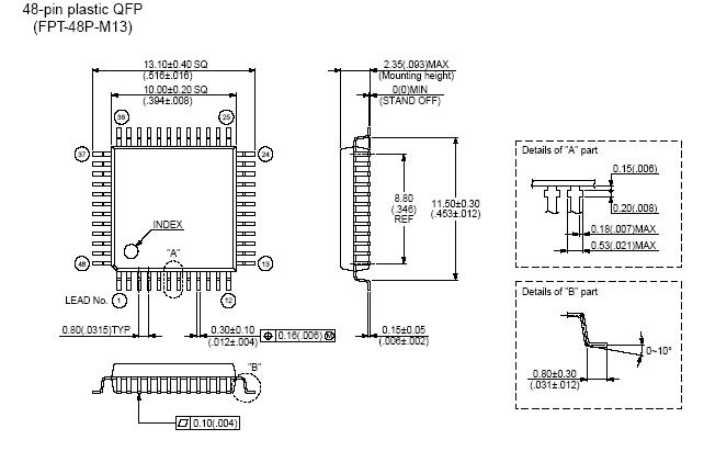
| QFP (Quad Flat Package) — плоский квадратный корпус с планарными выводами по всем сторонам. Имеет множество вариаций, а также по разному именуется у разных производителей. Например, BQFP (Bumpered Quad Flat Package) — вариант с расширениями основания по углам микросхемы, предназначенными для защиты выводов от механических повреждений до запайки, CQFP (Ceramic Quad Flat Package), уменьшенные версии Low-profile QFP (LQFP) и Thin QFP (TQFP) и т.д. | ![]() |
| DFN (Dual Flat No-lead package, или иногда Dual Flat-pack) в этом типе корпусов используется двусторонняя или квадратная плоская миниатюрная конструкция без выводов (контакты расположены прямо на корпусе) | ![]() |
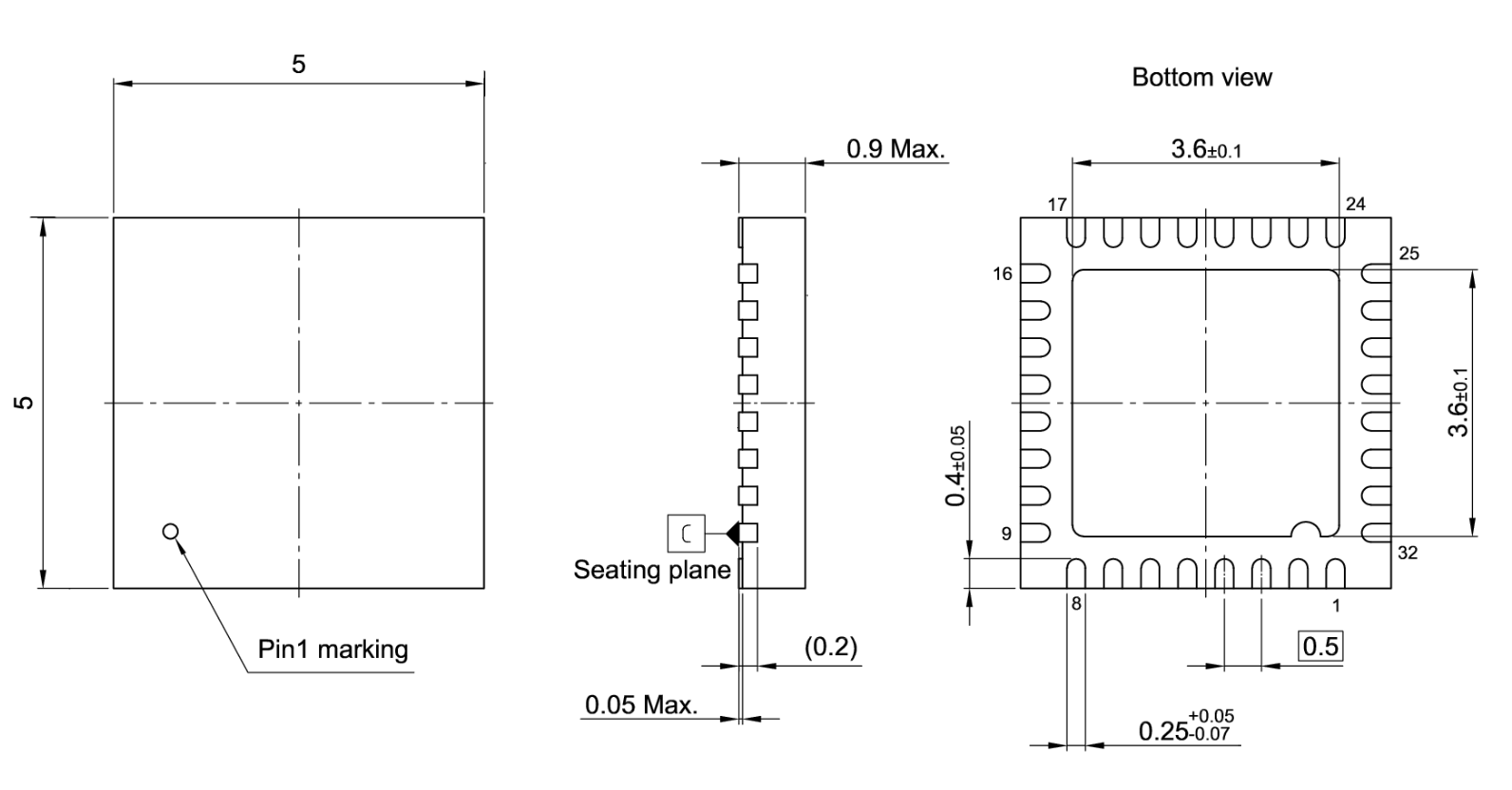
| QFN (Quad Flat No leads package), семейство квадратных корпусов имеющих плоские выводы, расположенные непосредственно под микросхемой по всем четырём сторонам. Размер корпусов определяется количеством выводов. Микросхемы в таких корпусах предназначены для поверхностного монтажа, хотя встречаются и разъёмы для этого типа корпусов, часто именуемые "кроватка". Монтаж в отверстия штатно не предусмотрен, хотя существуют переходники. Шаг между выводами: 1.0, 0.8, 0.65, 0.5, 0.4, 0,35 мм. Иногда для обозначения керамических вариантов этого корпуса используют аббревиатуру LCC (Leadless Chip Carrier), также можно встретить названия Ceramic QFN или QFN-C, а также CLCC (Ceramic Leadless Chip Carrier), но мы рекомендуем избегать этого обзначения для избежания путанницы с выводным корпусом (см. ниже). | ![]() |
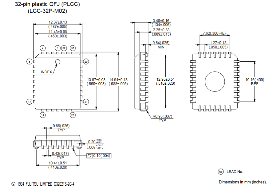
| PLCC (Plastic Leaded Chip Carrier) и CLCC (Ceramic Leaded Chip Carrier) корпус похож на QFN. Раньше единственное различие между ними заключалось в том, что PLCC использовал пластик, а QFN — керамику. Но теперь есть CLCC с J-образными выводами из керамики и QFN-корпуса из пластика. Таким образом, сейчас различия минимальны и скорее зависят от производителя. Аббревиатура LCC используется для обозначения термина leadless chip carrier, поэтому для того, чтобы избежать путаницы, желательно использовать аббревиатуры PLCC и CLCC полностью, без сокращений. | ![]() |
















