Расчёт фильтров для ШИМ
В статье речь пойдёт про расчёт простейших фильтрующих цепей для сглаживания широтно-импульсной модуляции. Что такое ШИМ, где он применяется и как его реализовать читайте в отдельной статье.
Первое, на чём следует заострить внимание - это назначение цепи, для которой вы собрались строить фильтр. Немного упрощая схемы с ШИМ можно поделить на два типа:
Примером сигнального ШИМ служит, например, простейший ЦАП, под силовым ШИМ чаще всего имеется ввиду ШИМ-сигнал на выходе силовых ключей, например в импульсных источниках питания (ИИП). Строго говоря, в источниках питания сам сигнал ШИМ тоже используется в сигнальной цепи (управление транзисторами) и на выходе таких источников сигнал повторяет форму управляющих сигналов, однако имеет более высокую мощность, потому они требуют фильтров позволяющих пропускать большие мощности.
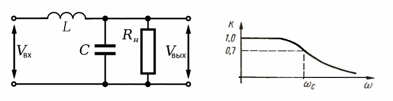
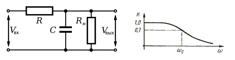
Основная характеристика фильтра это частота среза (на рисунке 1 обозначена угловая частота среза - ωс) - амплитуда колебаний данной данной частоты на выходе фильтра ослабляется до уровня ~0.707 (-3 Дб) от входного значения. Частота среза определяется по следующей формуле:
Следующий важный параметр, позволяющий расчитать ослабление колебаний на заданной частоте это коэффициент передачи фильтра - это отношение K = Uвых/Uвх. Для данной RC-цепочки коэффициент передачи рассчитывается следующим образом:
Зная эти формулы и учтя постоянное падение напряжения на резисторе можно приближённо рассчитать фильтр с нужными характеристиками - например, задавшись имеющейся ёмкостью, либо необходимым уровнем пульсаций.
Обратите внимание - если вы хотите получать из ШИМ-сигнала сглаженный синусоидальный сигнал, необходимо чтобы частота среза фильтра была выше максимальной частоты сигнала, а значит частота ШИМ должна быть ещё выше.
LC-фильтр представляет из себя элементарный колебательный контур, который имеет собственную частоту резонанса, поэтому его реальная АЧХ будет несколько отличаться от АЧХ, приведённой на рисунке 2.
Поскольку речь в данной статье идёт о фильтре для силовых цепей, при расчёте фильтра нужно учитывать, что основная гармоника входящего напряжения тоже должна ослабляться фильтром, следовательно, его резонансная частота должна быть ниже частоты ШИМ.
Формула для расчёта частоты резонанса LC-контура:
Если частота резонанса контура совпадёт с частотой ШИМ, LC-контур может перейти в режим генерации, тогда на выходе может случиться конфуз, посему предлагаю вам данного недоразумения тщательно избегать. Кроме того, при проектировании данного фильтра есть ещё несколько нюансов, которые неплохо бы соблюдать для получения желаемого результата, а именно:
Комплексный коэффициент передачи LC-фильтра рассчитывается по следующей формуле:
где n - номер гармонической составляющей входного сигнала, i - мнимая единица, ω = 2πf, L - индуктивность дросселя (Гн), C - ёмкость конденсатора (Ф), R - сопротивление нагрузки (Ом).
Из формулы очевидно, что чем выше гармоника, тем лучше она подавляется фильтром, следовательно, достаточно рассчитывать уровень только для первой гармоники.
Чтобы перейти от комплексного представления коэффициента передачи к показательному, нужно найти модуль комплексного числа. Для тех, кто (как и я) спал на парах матана в институте, напомню, модуль комплексного числа считается очень просто:
Так как у нас в формуле коэффициента дробь, просто так сходу посчитать модуль не получится и проще всего посчитать это всё, например в MathCad'е. А для тех, кому лень делать всё самим, я запилил весь расчёт в этот прекрасный калькулятор. Пользуйтесь:
Обратите внимание - при использовании LC-фильтра следует помнить, что из-за наличия в цепи индуктивности, на выходе могут появляться выбросы обратной полярности. Если полярность импульсов на входе не изменяется (например для изменения направления вращения двигателя) для ограничения амлитуды отрицательных выбросов параллельно конденсатору (?) можно включать диод Шоттки.
Первое, на чём следует заострить внимание - это назначение цепи, для которой вы собрались строить фильтр. Немного упрощая схемы с ШИМ можно поделить на два типа:
Примером сигнального ШИМ служит, например, простейший ЦАП, под силовым ШИМ чаще всего имеется ввиду ШИМ-сигнал на выходе силовых ключей, например в импульсных источниках питания (ИИП). Строго говоря, в источниках питания сам сигнал ШИМ тоже используется в сигнальной цепи (управление транзисторами) и на выходе таких источников сигнал повторяет форму управляющих сигналов, однако имеет более высокую мощность, потому они требуют фильтров позволяющих пропускать большие мощности.
Фильтрация ШИМ в сигнальных цепях
Для простых сигнальных цепей с высокоомной нагрузкой наиболее оптимальной схемой фильтрации является интегрируюшая RC-цепочка, являющаяся по сути простейшим фильтром нижних частот. Понятие "интегрирующая RC-цепь" применяется при рассмотрении импульсных характеристик данной цепи.
Рис.1. Простейший фильтр нижних частот - интегрирующая RC-цепь и её АЧХ.
Основная характеристика фильтра это частота среза (на рисунке 1 обозначена угловая частота среза - ωс) - амплитуда колебаний данной данной частоты на выходе фильтра ослабляется до уровня ~0.707 (-3 Дб) от входного значения. Частота среза определяется по следующей формуле:
Следующий важный параметр, позволяющий расчитать ослабление колебаний на заданной частоте это коэффициент передачи фильтра - это отношение K = Uвых/Uвх. Для данной RC-цепочки коэффициент передачи рассчитывается следующим образом:
Зная эти формулы и учтя постоянное падение напряжения на резисторе можно приближённо рассчитать фильтр с нужными характеристиками - например, задавшись имеющейся ёмкостью, либо необходимым уровнем пульсаций.
Калькулятор ШИМ-фильтра на RC-цепочке
| Входные данные: | Расчётные значения: | ||||||||||||||||||||||||||||||||||||||
|
| ||||||||||||||||||||||||||||||||||||||
Обратите внимание - если вы хотите получать из ШИМ-сигнала сглаженный синусоидальный сигнал, необходимо чтобы частота среза фильтра была выше максимальной частоты сигнала, а значит частота ШИМ должна быть ещё выше.
Фильтрация ШИМ в силовых цепях
В силовых цепях, при низких сопротивлениях нагрузки (например обмотки электродвигателей), потери в резисторе фильтра становятся весьма существенны, поэтому в подобных случаях применяются ФНЧ на индуктивностях и конденсаторах.
Рис.2. Фильтр нижних частот на LC-контуре и его АЧХ.
LC-фильтр представляет из себя элементарный колебательный контур, который имеет собственную частоту резонанса, поэтому его реальная АЧХ будет несколько отличаться от АЧХ, приведённой на рисунке 2.
Поскольку речь в данной статье идёт о фильтре для силовых цепей, при расчёте фильтра нужно учитывать, что основная гармоника входящего напряжения тоже должна ослабляться фильтром, следовательно, его резонансная частота должна быть ниже частоты ШИМ.
Формула для расчёта частоты резонанса LC-контура:
f = 1/(2 · π · (L · C)0.5)
Если частота резонанса контура совпадёт с частотой ШИМ, LC-контур может перейти в режим генерации, тогда на выходе может случиться конфуз, посему предлагаю вам данного недоразумения тщательно избегать. Кроме того, при проектировании данного фильтра есть ещё несколько нюансов, которые неплохо бы соблюдать для получения желаемого результата, а именно:
- Для исключения резонансных явлений на одной из высокочастотных гармонических составляющих ёмкость конденсатора желательно находить из условия равенства волнового сопротивления фильтра сопротивлению нагрузки:
C = L / R2
- Для сглаживания пульсаций таким фильтром желательно, чтобы ёмкостное сопротивление конденсатора для низшей частоты пульсации было как можно меньше сопротивления нагрузки, а также много меньше индуктивного сопротивления дросселя для первой гармоники.
Комплексный коэффициент передачи LC-фильтра рассчитывается по следующей формуле:
где n - номер гармонической составляющей входного сигнала, i - мнимая единица, ω = 2πf, L - индуктивность дросселя (Гн), C - ёмкость конденсатора (Ф), R - сопротивление нагрузки (Ом).
Из формулы очевидно, что чем выше гармоника, тем лучше она подавляется фильтром, следовательно, достаточно рассчитывать уровень только для первой гармоники.
Чтобы перейти от комплексного представления коэффициента передачи к показательному, нужно найти модуль комплексного числа. Для тех, кто (как и я) спал на парах матана в институте, напомню, модуль комплексного числа считается очень просто:
Z = x + iy
r = |Z| = (x2 + y2)0.5
Так как у нас в формуле коэффициента дробь, просто так сходу посчитать модуль не получится и проще всего посчитать это всё, например в MathCad'е. А для тех, кому лень делать всё самим, я запилил весь расчёт в этот прекрасный калькулятор. Пользуйтесь:
Калькулятор силового ШИМ-фильтра на LC-контуре
| Частота ШИМ | Гц | |
| Коэффициент заполнения ШИМ (duty cycle) |
% | |
| Напряжение на входе | В | |
| Сопротивление нагрузки | Ом | |
| Индуктивность катушки | мГн | |
| Ёмкость конденсатора | мкФ | |
| Амплитуда пульсаций на частоте ШИМ | В | |
| Резонансная частота контура | Гц | |
| Напряжение на выходе (потери не учитываются) |
В | |
Обратите внимание - при использовании LC-фильтра следует помнить, что из-за наличия в цепи индуктивности, на выходе могут появляться выбросы обратной полярности. Если полярность импульсов на входе не изменяется (например для изменения направления вращения двигателя) для ограничения амлитуды отрицательных выбросов параллельно конденсатору (?) можно включать диод Шоттки.