Назначение блокировочного конденсатора
Когда между определёнными точками или блоками схемы необходимо создать связь по переменному току, заблокировав при этом протекание постоянного тока, используется электронные компоненты, обеспечивающие связь только по переменному току, например конденсаторы или трансформаторы.
Если речь идёт о каскадах усилителя, подобные конденсаторы принято называть блокировочным или разделительным конденсатором.
В схеме, приведенной на рис.1. конденсатор связывает точки А и Б по переменному току, R – сопротивление нагрузки. Для постоянного тока конденсатор действует как разрыв цепи, полностью блокируя протекание постоянного тока между точками А и Б. В реальной схеме, в роли нагрузочного резистора выступает следующий каскад усиления.
В данной схеме конденсатор C и резистор R образуют простейший фильтр верхних частот (ФВЧ).
Частотой среза фильтра называют частоту, ослабление сигнала на которой достигает -3 дБ (по логарифмической шкале), или составляет 1/√2 (≈0.71) по линейной. Т.е амплитуда сигнала на частоте среза составляет ≈71% от входного значения. Частота среза RC-фильтра расчитывается по формуле:
Исходя из формул частоты среза и реактивного сопротивления, очевидно, что требуемую емкость разделительного конденсатора определяют два фактора:
Для приближённых расчётов можно считать, что удовлетворительная связь но переменному току достигается, когда Хс = R/20.
При R = 1 кОм получаем Хс = 50 Ом. Предположим, что рабочая частота f = 300 Гц.
Поскольку Хc = 1 / (2 ⋅ π ⋅ f ⋅ C), то
C = 1 / 94247.78 = 10.61 (мкФ)
Из вышеизложенного следуют два основных правила:
Чем больше сопротивление нагрузки, тем меньше требуемая емкость разделительного конденсатора.
При заданном сопротивлении нагрузки для низких рабочих частот необходимо использовать разделительные конденсаторы большей емкости, и наоборот.
Если же речь идет о рабочем диапазоне частот, емкость разделительного конденсатора определяется наименьшей частотой из этого диапазона. В соответствии с расчетами очевидно, что конденсатор емкостью 10 мкФ обеспечивает адекватную связь по неременному току при частоте 300 Гц и тем более при частоте 300 кГц. С другой стороны, конденсатор емкостью 0,1 мкФ обеспечивает адекватную связь при частоте 300 кГц, но непригоден для реализации связи по переменному току при частоте 300 Гц.
На рис.2.6 показан конденсатор С, обеспечивающий развязку резистора R по переменному току. Без конденсатора (рис2.a) в точке А постоянный потенциал равен 10 В, а переменный потенциал сигнала - 10 мВ. Конденсатор, представляющий собой разрыв цени для постоянного тока, не оказывает никакого влияния на постоянный потенциал точки А, Однако если емкость этого конденсатора такова, что на рабочей частоте его реактивное сопротивление существенно меньше сопротивления резистора R, то конденсатор будет эффективно осуществлять короткое замыкание сигнала переменного тока на землю. Таким образом, потенциал точки А по переменному току будет равен нулю.
Ёмкость конденсатора С, обеспечивающая удовлетворительную развязку, определяется сопротивлением резистора R и рабочей частотой - по тем же формулам, которые использовались для расчета емкости разделительного конденсатора.
Один из примеров использования развязывающего конденсатора это усилительный каскад собранный на классической схеме с общим эмиттером с отрицательной обратной связью (ООС).
На рис.3 приведена схема усилителя построенного на классической схеме с общим эммитером (ОЭ). Здесь С1 — входной разделительный конденсатор. Емкость этого конденсатора должна быть сравнительно велика в силу низкого входного сопротивления транзистора в схеме с ОЭ (подробный расчёт номиналов смотрите в статье "Расчёт усилительного каскада с общим эмиттером"). Конденсатор С2 связывает выход усилителя с нагрузкой или следующим каскадом, его емкость сравнима с емкостью конденсатора C1.
Отрицательная обратная связь через резистор R4 в данном усилителе, с одной стороны, обеспечивает необходимую стабильность усилителя по постоянному току, а с другой - снижает его коэффициент усиления до очень малой величины (2-3). Для устранения отрицательной обратной связи по переменному току и одновременного сохранения стабильности по постоянному току применяется эмиттерный развязывающий конденсатор С3. Помимо этого данный RC-контур в цепи эмиттера обеспечивает термостабилизацию данного усилительного каскада.
Типичные значения емкости эмиттерного развязывающего конденсатора того же порядка, что и для разделительного конденсатора.
Если речь идёт о каскадах усилителя, подобные конденсаторы принято называть блокировочным или разделительным конденсатором.
Рис.1. Применение разделительного конденсатора
В схеме, приведенной на рис.1. конденсатор связывает точки А и Б по переменному току, R – сопротивление нагрузки. Для постоянного тока конденсатор действует как разрыв цепи, полностью блокируя протекание постоянного тока между точками А и Б. В реальной схеме, в роли нагрузочного резистора выступает следующий каскад усиления.
В данной схеме конденсатор C и резистор R образуют простейший фильтр верхних частот (ФВЧ).
Частотой среза фильтра называют частоту, ослабление сигнала на которой достигает -3 дБ (по логарифмической шкале), или составляет 1/√2 (≈0.71) по линейной. Т.е амплитуда сигнала на частоте среза составляет ≈71% от входного значения. Частота среза RC-фильтра расчитывается по формуле:
f = 1 / (2 ⋅ π ⋅ R ⋅ C)
Сам фильтр для переменного тока можно представить как простейший делитель напряжения, соотношения сопротивлений в котором будут зависеть от частоты, при этом, реактивное сопротивление конденсатора Xc расчитывается по следующей формуле:Хc = 1 / (2 ⋅ π ⋅ f ⋅ C)
Также, при расчёте данного конденсатора необходимо помнить, что удовлетворительное качество связи по переменному току достигается только в том случае, когда реактивное сопротивление Хс конденсатора на рабочей частоте много меньше сопротивления нагрузки R - тогда на этом конденсаторе падает (и теряется) очень малая часть напряжения входного сигнала.Исходя из формул частоты среза и реактивного сопротивления, очевидно, что требуемую емкость разделительного конденсатора определяют два фактора:
- Сопротивление нагрузки R.
- Рабочая частота.
Для приближённых расчётов можно считать, что удовлетворительная связь но переменному току достигается, когда Хс = R/20.
При R = 1 кОм получаем Хс = 50 Ом. Предположим, что рабочая частота f = 300 Гц.
Поскольку Хc = 1 / (2 ⋅ π ⋅ f ⋅ C), то
C = 1 / 94247.78 = 10.61 (мкФ)
Из вышеизложенного следуют два основных правила:
Чем больше сопротивление нагрузки, тем меньше требуемая емкость разделительного конденсатора.
При заданном сопротивлении нагрузки для низких рабочих частот необходимо использовать разделительные конденсаторы большей емкости, и наоборот.
Если же речь идет о рабочем диапазоне частот, емкость разделительного конденсатора определяется наименьшей частотой из этого диапазона. В соответствии с расчетами очевидно, что конденсатор емкостью 10 мкФ обеспечивает адекватную связь по неременному току при частоте 300 Гц и тем более при частоте 300 кГц. С другой стороны, конденсатор емкостью 0,1 мкФ обеспечивает адекватную связь при частоте 300 кГц, но непригоден для реализации связи по переменному току при частоте 300 Гц.
Развязывающий конденсатор
Один из вариантов использования конденсатора в схемотехнике усилительных каскадов это включение конденсатора в цепь термостабилизации транзистора, параллельно резистору. В этом случае принято называть данный конденсатор "развязывающим".
Рис.2. Влияние развязывающего конденсатора.
На рис.2.6 показан конденсатор С, обеспечивающий развязку резистора R по переменному току. Без конденсатора (рис2.a) в точке А постоянный потенциал равен 10 В, а переменный потенциал сигнала - 10 мВ. Конденсатор, представляющий собой разрыв цени для постоянного тока, не оказывает никакого влияния на постоянный потенциал точки А, Однако если емкость этого конденсатора такова, что на рабочей частоте его реактивное сопротивление существенно меньше сопротивления резистора R, то конденсатор будет эффективно осуществлять короткое замыкание сигнала переменного тока на землю. Таким образом, потенциал точки А по переменному току будет равен нулю.
Ёмкость конденсатора С, обеспечивающая удовлетворительную развязку, определяется сопротивлением резистора R и рабочей частотой - по тем же формулам, которые использовались для расчета емкости разделительного конденсатора.
Один из примеров использования развязывающего конденсатора это усилительный каскад собранный на классической схеме с общим эмиттером с отрицательной обратной связью (ООС).
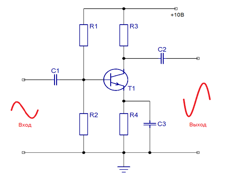
Рис.3. Усилитель с развязывающим конденсатором в цепи эмиттера.
На рис.3 приведена схема усилителя построенного на классической схеме с общим эммитером (ОЭ). Здесь С1 — входной разделительный конденсатор. Емкость этого конденсатора должна быть сравнительно велика в силу низкого входного сопротивления транзистора в схеме с ОЭ (подробный расчёт номиналов смотрите в статье "Расчёт усилительного каскада с общим эмиттером"). Конденсатор С2 связывает выход усилителя с нагрузкой или следующим каскадом, его емкость сравнима с емкостью конденсатора C1.
Отрицательная обратная связь через резистор R4 в данном усилителе, с одной стороны, обеспечивает необходимую стабильность усилителя по постоянному току, а с другой - снижает его коэффициент усиления до очень малой величины (2-3). Для устранения отрицательной обратной связи по переменному току и одновременного сохранения стабильности по постоянному току применяется эмиттерный развязывающий конденсатор С3. Помимо этого данный RC-контур в цепи эмиттера обеспечивает термостабилизацию данного усилительного каскада.
Типичные значения емкости эмиттерного развязывающего конденсатора того же порядка, что и для разделительного конденсатора.