Использование биполярных транзисторов в ключевом режиме
Биполярный транзистор управляется током (а не напряжением, как полевой) и током же управляет, по этой причине его удобно использовать для управления токовой нагрузкой.
Типичный пример применения биполярного транзистора - управление токовой нагрузкой через микроконтроллер, например, самое банальное это питание светодиода, ток которого превосходит допустимый рабочий ток ножки МК.
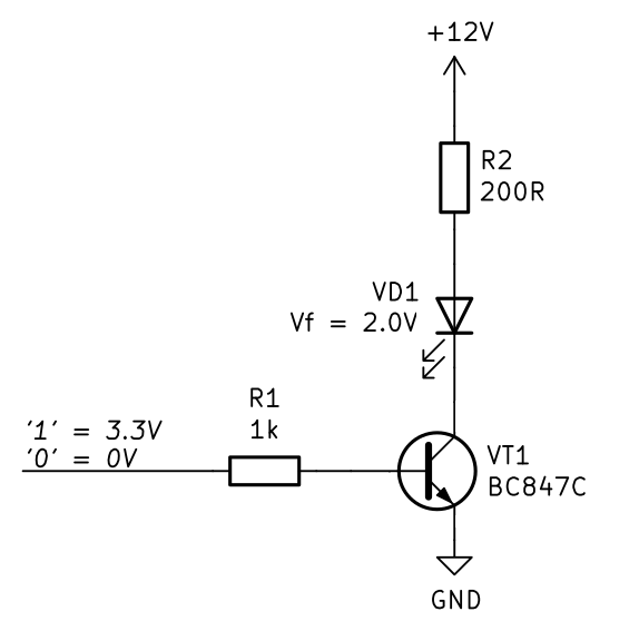
Разберём схему на конкретном примере. Допустим мы хотим включать\выключать светодиод с рабочим током 50 мА (типичный ток для ИК-светодиодов). Таким диодом нельзя управлять непосредственно от микроконтроллера, так как допустимый выходной ток с ножки обычно ограничен значением 10 мА – 25 мА.

Рисунок 1. Управление светодиодом с помощью биполярного транзистора
Резистор R1 задает ток базы транзистора при включении и при выключении. Транзистор BC847C довольно маломощный и при токе 50 мА на коллекторе в режиме насыщения будет падать около 200 мВ. Падение на светодиоде составит 2.0 В. Резистор R2 нужно выбрать таким, чтобы ток через светодиод был равен 50 мА. При питании 12 В, и суммарном падении напряжения на транзисторе и светодиоде 2.2 В на резисторе будет напряжение 9.8 В. Чтобы получить ток 50 мА сопротивление резистора R2 должно быть 196 Ом.
Если взять более мощный транзистор, например, BC817-25, то напряжение насыщения коллектора у него будет меньше, около 40 мВ при токе коллектора 50 мА, но у более мощных транзисторов, как правило, меньше коэффициент усиления.
Как выбрать резистор в базе транзистора? Транзистор BC847C имеет коэффициент передачи по току hFE = 400 – 800. В линейном режиме это будет означать что ток базы (управляющий ток) во столько раз меньше тока коллектора (управляемый ток). Так как схема у нас работает в ключевом режиме, то ток базы необходимо установить больше. Чем больше ток базы, тем быстрей транзистор включится. Коэффициент во сколько раз ток базы превышает минимальный называется коэффициентом насыщения. Минимальный ток базы (с коэффициентом насыщения единица) который полностью откроет транзистор будет 50 мА / 400 = 0.125 мА. Так как характеристики транзистора меняются со временем, при изменении температуры, при изменении тока коллектора, от партии к партии, у разных производителей, правильным будет задавать коэффициент насыщения больше единицы, иначе может возникнуть ситуация при которой транзистор будет открываться не полностью и схема будет работать не так как задумано. Верхнее значение тока базы ограничено либо максимальным током базы по документации на транзистор, либо максимально допустимым током который может выдать выход микроконтроллера. Пусть максимальный ток базы у нас будет 10 мА.
Рассчитаем базовый резистор для схемы на рисунке 1. Напряжение на базе при насыщении для кремниевых транзисторов принято считать 0.7 В. При питании микроконтроллера 3.3 В на базовом резисторе будет напряжение 2.6 В. Минимальный базовый ток 0.125 мА будет обеспечен сопротивлением 20800 Ом. Максимальный ток 10 мА будет обеспечен сопротивлением 260 Ом. В данном случае у нас довольно широкий диапазон выбора сопротивления, можем взять 1 кОм.

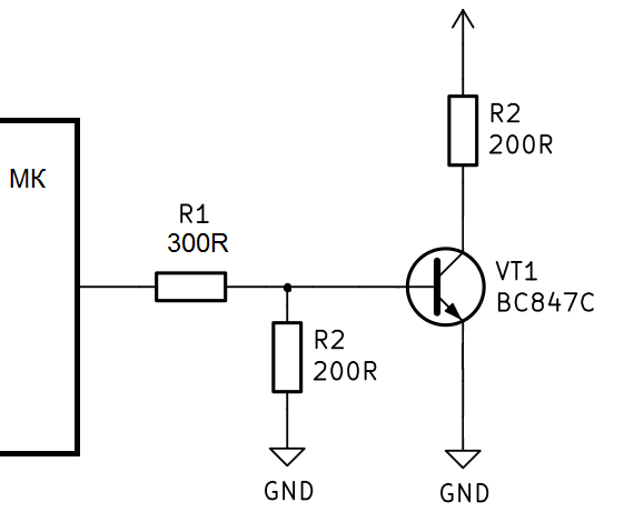
Рисунок 2. Ускорение выключения транзистора
В схеме на рисунке 2, при выключении, когда выходной сигнал с микроконтроллера становится равным 0 В, получается что оба резистора 300 Ом и 200 Ом соединяются параллельно и суммарное сопротивление становится меньше, что приводит к увеличению тока базы транзистора при выключении. Это увеличивает скорость выключения транзистора.
Еще один способ увеличить скорость выключения транзистора, это сократить глубину насыщения транзистора при включении. Диод шоттки подключенный от базы на коллектор (анод на базе) уменьшит глубину насыщения. Вначале включения на коллекторе высокое напряжение, диод закрыт и весь ток базового резистора течет через эмиттерный переход транзистора. Когда напряжение на коллекторе станет ниже напряжения базы, этот диод начнет шунтировать эмиттерный переход и часть тока базового резистора потечет через диод при этом ток через эмиттерный переход уменьшится и это сократит глубину насыщения транзистора.

Рисунок 3. Схема стабилизации тока
В схеме отсутствует резистор в цепи базы, и ток базы задается сопротивлением резистора в цепи эмиттера. Через этот резистор течет ток базы и ток коллектора (ток управления и ток нагрузки). Получается отрицательная обратная связь: при увеличении тока нагрузки, будет увеличиваться ток через эмиттерный резистор и при этом будет увеличиваться падение напряжения на эмиттерном резисторе. Так как напряжение на базе у нас фиксированное, 3.3 В, то при увеличении напряжения на эмиттерном резисторе напряжение на эмиттерном переходе транзистора будет уменьшаться, при этом будет уменьшаться ток базы и транзистор будет закрываться. Таким образом, будет стабилизироваться эмиттерный ток транзистора. Так как базовый ток в коэффициент усиления раз меньше коллекторного, то его влияние на напряжение эмиттерного резистора незначительное и, при первом приближении, его можно не учитывать при расчете и считать что ток эмиттера приблизительно равен току коллектора.
Сопротивление эмиттерного резистора рассчитать довольно просто. При управляющем напряжении 3.3 В, и падении на эмиттерном переходе 0.7 В напряжение на эмиттерном резисторе получается 2.6 В. При целевом токе в нагрузке 50 мА, сопротивление эмиттерного резистора должно быть около 52 Ом.
Эта схема позволяет стабилизировать ток нагрузки, то есть, при изменении напряжения питания нагрузки (или при изменении сопротивления нагрузки) ток через нагрузку останется постоянным. Мы можем поставить один светодиод, два или три при этом эмиттерный резистор менять не придется и ток через светодиоды будет один и тот же. При этом нужно отметить, что в этой схеме избыточное напряжение падает на транзисторе и нужно учитывать мощность рассеиваемую на транзисторе.
Транзистор в этой схеме работает в линейном режиме и не входит в насыщение. Это позволяет транзистору быстро открываться и быстро закрываться.
В этой схеме только один резистор вместо двух, что так же может иметь важное значение в практическом применении.
Важно чтобы напряжение управления базы было стабильным, так как оно является опорным для стабилизации тока.
Для питания коллекторной цепи этой схемы требуется напряжение большее чем напряжение управляющего сигнала.
Типичный пример применения биполярного транзистора - управление токовой нагрузкой через микроконтроллер, например, самое банальное это питание светодиода, ток которого превосходит допустимый рабочий ток ножки МК.
Разберём схему на конкретном примере. Допустим мы хотим включать\выключать светодиод с рабочим током 50 мА (типичный ток для ИК-светодиодов). Таким диодом нельзя управлять непосредственно от микроконтроллера, так как допустимый выходной ток с ножки обычно ограничен значением 10 мА – 25 мА.

Рисунок 1. Управление светодиодом с помощью биполярного транзистора
Если взять более мощный транзистор, например, BC817-25, то напряжение насыщения коллектора у него будет меньше, около 40 мВ при токе коллектора 50 мА, но у более мощных транзисторов, как правило, меньше коэффициент усиления.
Как выбрать резистор в базе транзистора? Транзистор BC847C имеет коэффициент передачи по току hFE = 400 – 800. В линейном режиме это будет означать что ток базы (управляющий ток) во столько раз меньше тока коллектора (управляемый ток). Так как схема у нас работает в ключевом режиме, то ток базы необходимо установить больше. Чем больше ток базы, тем быстрей транзистор включится. Коэффициент во сколько раз ток базы превышает минимальный называется коэффициентом насыщения. Минимальный ток базы (с коэффициентом насыщения единица) который полностью откроет транзистор будет 50 мА / 400 = 0.125 мА. Так как характеристики транзистора меняются со временем, при изменении температуры, при изменении тока коллектора, от партии к партии, у разных производителей, правильным будет задавать коэффициент насыщения больше единицы, иначе может возникнуть ситуация при которой транзистор будет открываться не полностью и схема будет работать не так как задумано. Верхнее значение тока базы ограничено либо максимальным током базы по документации на транзистор, либо максимально допустимым током который может выдать выход микроконтроллера. Пусть максимальный ток базы у нас будет 10 мА.
Рассчитаем базовый резистор для схемы на рисунке 1. Напряжение на базе при насыщении для кремниевых транзисторов принято считать 0.7 В. При питании микроконтроллера 3.3 В на базовом резисторе будет напряжение 2.6 В. Минимальный базовый ток 0.125 мА будет обеспечен сопротивлением 20800 Ом. Максимальный ток 10 мА будет обеспечен сопротивлением 260 Ом. В данном случае у нас довольно широкий диапазон выбора сопротивления, можем взять 1 кОм.
Важный момент! Чем больше ток базы, тем быстрей включится транзистор, тем больше коэффициент насыщения. Чем больше коэффициент насыщения, там медленней транзистор будет выключаться. Задержка выключения может достигать нескольких сотен наносекунд. На первый взгляд эта величина кажется слишком маленькой чтобы обращать на нее внимание. Фактически, если вы станете управлять током через нагрузку с помощью ШИМ, или постараетесь увеличить скорость передачи данных через инфракрасный канал, вы увидите что задержка выключения транзистора будет очень сильно искажать сигнал.
Как сократить время выключения транзистора
Если у нас стоит базовый резистор и мы управляем транзистором от вывода микроконтроллера с питанием 3.3 В, то получается что мы включаем транзистор током с 3.3 В , а выключаем транзистор током через тот же резистор, но током с напряжения 0.7 В, то есть ток базы на выключение транзистора получится меньше. Это одна из причин по которой транзистор выключается медленней. Для увеличения скорости выключения транзистора мы можем применить следующую схему.
Рисунок 2. Ускорение выключения транзистора
Еще один способ увеличить скорость выключения транзистора, это сократить глубину насыщения транзистора при включении. Диод шоттки подключенный от базы на коллектор (анод на базе) уменьшит глубину насыщения. Вначале включения на коллекторе высокое напряжение, диод закрыт и весь ток базового резистора течет через эмиттерный переход транзистора. Когда напряжение на коллекторе станет ниже напряжения базы, этот диод начнет шунтировать эмиттерный переход и часть тока базового резистора потечет через диод при этом ток через эмиттерный переход уменьшится и это сократит глубину насыщения транзистора.
Схема стабилизации тока
Рассмотрим ещё одну схему с общим эмиттером.
Рисунок 3. Схема стабилизации тока
Сопротивление эмиттерного резистора рассчитать довольно просто. При управляющем напряжении 3.3 В, и падении на эмиттерном переходе 0.7 В напряжение на эмиттерном резисторе получается 2.6 В. При целевом токе в нагрузке 50 мА, сопротивление эмиттерного резистора должно быть около 52 Ом.
Эта схема позволяет стабилизировать ток нагрузки, то есть, при изменении напряжения питания нагрузки (или при изменении сопротивления нагрузки) ток через нагрузку останется постоянным. Мы можем поставить один светодиод, два или три при этом эмиттерный резистор менять не придется и ток через светодиоды будет один и тот же. При этом нужно отметить, что в этой схеме избыточное напряжение падает на транзисторе и нужно учитывать мощность рассеиваемую на транзисторе.
Транзистор в этой схеме работает в линейном режиме и не входит в насыщение. Это позволяет транзистору быстро открываться и быстро закрываться.
В этой схеме только один резистор вместо двух, что так же может иметь важное значение в практическом применении.
Важно чтобы напряжение управления базы было стабильным, так как оно является опорным для стабилизации тока.
Для питания коллекторной цепи этой схемы требуется напряжение большее чем напряжение управляющего сигнала.